
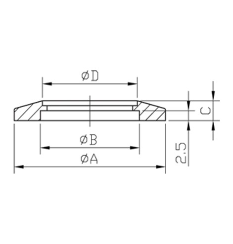
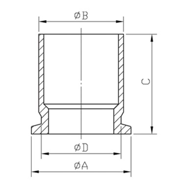
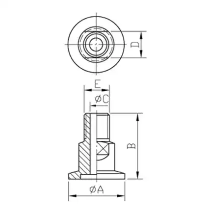
| Parts Model | A(MM) | B(MM) | C(MM) | D(MM) |
|---|---|---|---|---|
| KF10BB13 | 30 | 12.2 | 5 | 12.9 |
| KF16BB19 | 30 | 17.2 | 5 | 19.3 |
| KF25BB26 | 40 | 26.2 | 5 | 25.7 |
| KF40BB38 | 55 | 41.2 | 5 | 38.4 |
| KF50BB51 | 75 | 52.2 | 5 | 51.0 |
| KF63BB64 | 87 | 70.0 | 5 | 63.7 |
| KF80BB76 | 114 | 83.0 | 11 | 76.4 |
| KF100BB102 | 134 | 102.0 | 11 | 101.8 |
| KF160BB153 | 190 | 153.0 | 11 | 152.9 |


| Parts Model | A(MM) | B(MM) | C(MM) | D(MM) |
|---|---|---|---|---|
| KF10BB13 | 30 | 12.2 | 5 | 12.9 |
| KF16BB19 | 30 | 17.2 | 5 | 19.3 |
| KF25BB26 | 40 | 26.2 | 5 | 25.7 |
| KF40BB38 | 55 | 41.2 | 5 | 38.4 |
| KF50BB51 | 75 | 52.2 | 5 | 51.0 |
| KF63BB64 | 87 | 70.0 | 5 | 63.7 |
| KF80BB76 | 114 | 83.0 | 11 | 76.4 |
| KF100BB102 | 134 | 102.0 | 11 | 101.8 |
| KF160BB153 | 190 | 153.0 | 11 | 152.9 |


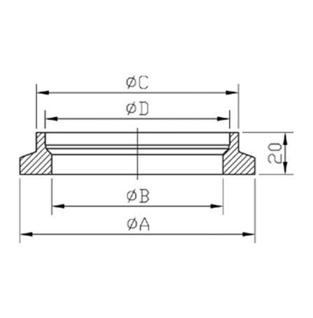
| Parts Model | A(MM) | B(MM) | C(MM) | D(MM) |
|---|---|---|---|---|
| KF80SWJ90 | 114 | 83 | 98 | 89.5 |
| KF100SWJ115 | 134 | 102 | 118 | 114.5 |
| KF160SHNJ166 | 190 | 153 | 174 | 165.5 |


USA PIPE
| Parts Model | A(MM) | B(MM) | C(MM) | Type |
|---|---|---|---|---|
| KF10SHNA13 | 30 | 12.70 | 12.7 | U.S.A |
| KF16SHNA19 | 30 | 19.05 | 12.7 | U.S.A |
| KF25SHNA25 | 40 | 25.40 | 12.7 | U.S.A |
| KF40SHNA38 | 55 | 38.10 | 19.1 | U.S.A |
| KF50SHNA51 | 75 | 50.80 | 19.1 | U.S.A |
EUROPE PIPE
| Parts Model | A(MM) | B(MM) | C(MM) | D(MM) |
|---|---|---|---|---|
| KF10SHNA14 | 30 | 14 | 30 | EUROPE |
| KF16SHNA30 | 30 | 20 | 30 | EUROPE |
| KF25SHNA28 | 40 | 28 | 30 | EUROPE |
| KF40SHNA45 | 55 | 45 | 30 | EUROPE |
| KF50SHNA57 | 75 | 57 | 30 | EUROPE |
JAPAN PIPE
| Parts Model | A(MM) | B(MM) | C(MM) | D(MM) |
|---|---|---|---|---|
| KF25SHNJ27 | 40 | 27.2 | 20 | JAPAN |
| KF40SHNJ43 | 55 | 42.7 | 20 | JAPAN |
| KF50SHNJ61 | 75 | 60.5 | 20 | JAPAN |


| Parts Model | A(MM) | B(MM) | C(MM) | D(MM) | Type |
|---|---|---|---|---|---|
| KF25SHNJ34 | 40 | 34.0 | 20 | 32 | JAPAN |
| KF40SHNJ49 | 55 | 48.6 | 20 | 45 | JAPAN |

(JIS-PIP)

| Parts Model | A(MM) | B(MM) | C(MM) | D(MM) | Type |
|---|---|---|---|---|---|
| KF25LHNJ34 | 40 | 34.0 | 20 | 32 | JAPAN |
| KF40LHNJ49 | 55 | 48.6 | 20 | 45 | JAPAN |

(JIS-PIP)

| Parts Model | A(MM) | B(MM) |
|---|---|---|
| KF10RHA | 16.0 | 40 |
| KF16RHA | 19.1 | 40 |
| KF25RHA | 22.2 | 40 |
| KF40RHA | 41.3 | 40 |
| KF50RHA | 47.7 | 40 |


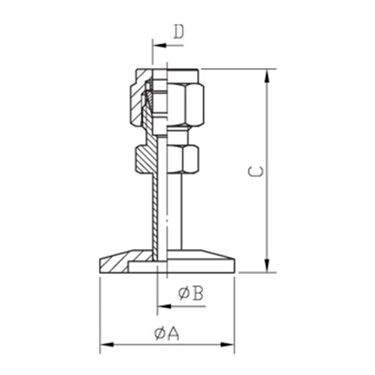
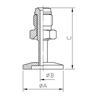
| Model No. | Flange Size | A(MM) | B(MM) | C(MM) |
|---|---|---|---|---|
| KF25CRAKF16 | KF25-KF16 | 40 | 30 | 40 |
| KF40CRAKF16 | KF40-KF16 | 55 | 30 | 40 |
| KF40CRAKF25 | KF25-KF25 | 55 | 40 | 40 |
| KF50CRAKF16 | KF50-KF16 | 75 | 30 | 40 |
| KF50CRAKF25 | KF50-KF25 | 75 | 40 | 40 |
| KF50CRAKF40 | KF50-KF40 | 75 | 55 | 40 |
| ISO080CRAKF40 | ISO 80-KF40 | 110 | 55 | 63 |
| ISO100CRAKF40 | ISO100-KF40 | 130 | 55 | 63 |
| ISO080CRAKF50 | ISO80-KF50 | 110 | 75 | 63 |
| ISO100CRAKF50 | ISO100-KF50 | 130 | 75 | 63 |


USA PIPE
| Parts Model | A(MM) | B(MM) | C(MM) | Type |
|---|---|---|---|---|
| KF16SAA6 | 30 | 4.8 | 36.5 | ¼ |
| KF25SAA6 | 40 | 4.8 | 36.5 | ¼ |
| KF40SAA6 | 55 | 4.8 | 36.5 | ¼ |
| KF50SAA6 | 75 | 4.8 | 36.5 | ¼ |
JIS PIPE
| Parts Model | A(MM) | B(MM) | C(MM) | D(MM) |
|---|---|---|---|---|
| KF16SAJ6 | 30 | 4.8 | 36.5 | 6.0 |
| KF25SAJ6 | 40 | 4.8 | 36.5 | 6.0 |
| KF40SAJ6 | 55 | 4.8 | 36.5 | 6.0 |
| KF50SAJ6 | 75 | 4.8 | 36.5 | 6.0 |


| Parts model | A(MM) | B(MM) | C(MM) | Male VCR |
|---|---|---|---|---|
| KF16MCR6 | 30 | 4.4 | 37 | ¼ |
| KF25MCR6 | 40 | 4.4 | 37 | ¼ |
| KF40MCR6 | 55 | 4.4 | 37 | ¼ |
| KF50MCR6 | 73 | 4.4 | 37 | ¼ |


| Parts model | A(MM) | B(MM) | C(MM) | Male VCR |
|---|---|---|---|---|
| KF16MCR6 | 30 | 4.4 | 37 | ¼ |
| KF25MCR6 | 40 | 4.4 | 37 | ¼ |
| KF40MCR6 | 55 | 4.4 | 37 | ¼ |
| KF50MCR6 | 73 | 4.4 | 37 | ¼ |


THREAD TYPE:PT
| Parts model | A(MM) | B(MM) | C(MM) | D(MM) | E |
|---|---|---|---|---|---|
| KF16MPT3 | 30 | 35 | 4.7 | 10 | PT1/8 |
| KF16MPT6 | 30 | 35 | 7.1 | 14 | PT¼ |
| KF25MPT6 | 40 | 35 | 7.1 | 14 | PT¼ |
| KF25MPT13 | 40 | 40 | 11.9 | 22 | PT1/2 |
| KF40MPT6 | 55 | 35 | 7.1 | 14 | PT¼ |
| KF40MPT13 | 55 | 40 | 11.9 | 22 | PT1/2 |
THREAD TYPE:NPT
| Parts model | A(MM) | B(MM) | C(MM) | D(MM) | E |
|---|---|---|---|---|---|
| KF16MNPT3 | 30 | 35 | 4.7 | 10 | PT1/8 |
| KF16MNPT6 | 30 | 35 | 7.1 | 14 | PT¼ |
| KF25MNPT6 | 40 | 35 | 7.1 | 14 | PT¼ |
| KF25MNPT13 | 40 | 40 | 11.9 | 22 | PT1/2 |
| KF40MNPT6 | 55 | 35 | 7.1 | 14 | PT¼ |
| KF40MNPT13 | 55 | 40 | 11.9 | 22 | PT1/2 |


THREAD TYPE:PT
| Parts model | A(MM) | B(MM) | C(MM) | D |
|---|---|---|---|---|
| KF16FPT3 | 19.05 | 25 | 17 | PT1/8 |
| KF25FPT3 | 25.40 | 25 | 19 | PT1/8 |
| KF40FPT3 | 38.10 | 25 | 32 | PT1/8 |
| KF50FPT3 | 50.80 | 25 | 46 | PT1/8 |
| KF16FPT6 | 19.05 | 25 | 17 | PT 1/4 |
| KF25FPT6 | 25.40 | 25 | 19 | PT 1/4 |
| KF40FPT6 | 38.10 | 25 | 32 | PT 1/4 |
| KF50FPT6 | 50.80 | 25 | 46 | PT 1/4 |
THREAD TYPE:NPT
| Parts model | A(MM) | B(MM) | C(MM) | D |
|---|---|---|---|---|
| KF16MNPT3 | 19.05 | 25 | 17 | PT1/8 |
| KF25MNPT3 | 25.40 | 25 | 19 | PT1/8 |
| KF40MNPT3 | 38.10 | 25 | 32 | PT1/8 |
| KF50MNPT3 | 50.80 | 25 | 46 | PT1/8 |
| KF16MNPT6 | 19.05 | 25 | 17 | PT 1/4 |
| KF25MNPT6 | 25.40 | 25 | 19 | PT 1/4 |
| KF40MNPT6 | 38.10 | 25 | 32 | PT 1/4 |
| KF50MNPT6 | 50.80 | 25 | 46 | PT 1/4 |


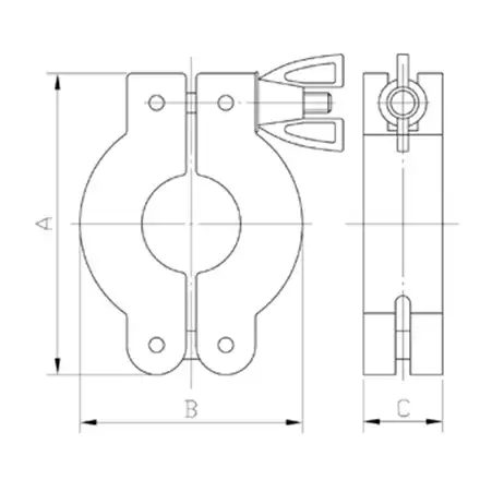
DOUBLE PIN CLAMP
| Parts model | Flange Size | A(MM) | B(MM) | C(MM) |
|---|---|---|---|---|
| KF16WCDAL | KF16 | 62.0 | 42.0 | 16.5 |
| KF25WCDAL | KF25 | 72.0 | 53.5 | 16.5 |
| KF40WCDAL | KF40 | 89.5 | 69.5 | 16.5 |
| KF50WCDAL | KF50 | 113.0 | 90.0 | 20.0 |

Material:
ADC12 / ADC12 + NI PLATED BODY

SINGLE PIN CLAMP
| Parts model | Flange Size | A(MM) | B(MM) | C(MM) |
|---|---|---|---|---|
| KF16WCDAL | KF16 | 33.5 | 59.5 | 16 |
| KF25WCDAL | KF25 | 48.0 | 73.0 | 16 |
| KF40WCDAL | KF40 | 63.0 | 89.0 | 16 |
| KF50WCDAL | KF50 | 80.0 | 112.5 | 20 |

Material:
ADC12 / ADC12 +Ā NI PLATED BODY

DOUBLE PIN CLAMP
| Parts model | Flange Size | A(MM) | B(MM) | C(MM) |
|---|---|---|---|---|
| KF16WCDAL | KF16 | 35.3 | 62 | 17.5 |
| KF25WCDAL | KF25 | 43.0 | 72 | 17.5 |
| KF40WCDAL | KF40 | 58.5 | 90 | 17.5 |
| KF50WCDAL | KF50 | 80.0 | 113 | 20.0 |

Material:
ADC12 / ADC12 +Ā NI PLATED BODY

| Parts model | Flange Size | A(MM) | B(MM) | C(MM) | D(MM) | E(MM) |
|---|---|---|---|---|---|---|
| KF16TCLSAL | ACD12 / SUS304 | 69 | 97 | 20 | 63 | 43 |
| KF25TCLSAL | ACD12 / SUS304 | 75 | 106 | 20 | 74 | 43 |
| KF40TCLSAL | ACD12 / SUS304 | 85 | 123 | 20 | 90 | 43 |
| KF50TCLSAL | ACD12 / SUS304 | 118 | 165 | 23 | 115 | 43 |

Material:
ACD12 / SUS304

| Parts model | Flange Size | Bolt Size (MM) | Quantity (PCS) | A(P.C.D) |
|---|---|---|---|---|
| KF16SBCCKAL | KF16 | M6x20mmL | 3 | 43 |
| KF25SBCCKAL | KF25 | M6x20mmL | 3 | 53 |
| KF40SBCCKAL | KF40 | M6x20mmL | 4 | 68 |
| KF50SBCCKAL | KF50 | M6x20mmL | 6 | 88 |
Note: Does not include M6 Screws

Material: ALUMINUM (BODY) / SUS304 (BOLT)

| Parts model | A(MM) | B(MM) | C(MM) |
|---|---|---|---|
| KF16CCALAK | 22 | 56 | 20.5 |
| KF25CCALAK | 32 | 66 | 20.5 |
| KF40CCALAK | 46 | 80 | 20.5 |
| KF50CCALAK | 69 | 100 | 20.5 |
| KF63CCALAK | 78 | 112 | 20.5 |

Material:
ACD12 / KNOB: ABS

| Parts model | A(MM) | B(MM) | C(MM) |
|---|---|---|---|
| KF16CCALZN | 22 | 56 | 20.5 |
| KF25CCALZN | 32 | 66 | 20.5 |
| KF40CCALZN | 46 | 80 | 20.5 |
| KF50CCALZN | 69 | 100 | 20.5 |
| KF63CCALZN | 78 | 112 | 20.5 |

Material:
ACD12 / NUT: STEEL +
ZIN PLATED

| Parts model | A(MM) | B(MM) | C(MM) |
|---|---|---|---|
| KF16CCSSSN | 22 | 56 | 20.5 |
| KF25CCSSSN | 32 | 66 | 20.5 |
| KF40CCSSSN | 46 | 80 | 20.5 |
| KF50CCSSSN | 69 | 100 | 20.5 |
| KF63CCSSSN | 78 | 112 | 20.5 |

Material:
ACD12 / NUT: SUS 304

| Parts model | A(MM) | B(MM) | C(MM) |
|---|---|---|---|
| KF80CCAHNK | 100.0 | 165.0 | 38 |
| KF100CCAHNK | 122.0 | 185.0 | 38 |
| KF125CCAHNK | 162.0 | 205.0 | 38 |
| KF160CCAHNK | 174.0 | 235.0 | 38 |
| KF160CCAHNKX | 178.5 | 231.5 | 38 |
| KF200CCAHNK | 240.0 | 293.0 | 38 |
| KF250CCAHNK | 289.0 | 301.0 | 38 |

Material: A6061T6-HARD ANODIZING / KNOB: NYLON FIBER

| Parts model | A(MM) | B(MM) | C(MM) |
|---|---|---|---|
| KF80CCAHSB | 100.0 | 165.0 | 38 |
| KF100CCAHSB | 122.0 | 185.0 | 38 |
| KF125CCAHSB | 162.0 | 205.0 | 38 |
| KF160CCAHSB | 174.0 | 235.0 | 38 |
| KF160CCAHSBX | 178.5 | 231.5 | 38 |
| KF200CCAHSB | 240.0 | 293.0 | 38 |
| KF250CCAHSB | 289.0 | 301.0 | 38 |
| KF320CCAHSB | 344.0 | 396.0 | 38 |

Material: A6061T6-HARD ANODIZING / NUT: SUS 304

| Parts model | A(MM) | B(MM) | C(MM) |
|---|---|---|---|
| KF80CCAGSK | 100.0 | 165.0 | 38 |
| KF100CCAGSK | 122.0 | 185.0 | 38 |
| KF125 CCAGSK | 162.0 | 205.0 | 38 |
| KF160 CCAGSK | 174.0 | 235.0 | 38 |
| KF160 CCAGSKX | 178.5 | 231.5 | 38 |
| KF200 CCAGSK | 240.0 | 293.0 | 38 |

Material: A6061T6-GREEN ANODIZING / NUT: SUS 304

KF NW CAP
| Parts model | |||
|---|---|---|---|
| KF16CAP | KF25CAP | KF40CAP | KF50CAP |
| KF63CAP | KF80CAP | KF100CAP | |
ISO CAP
| Parts model | |||
|---|---|---|---|
| ISO16CAP | ISO25CAP | ISO40CAP | ISO50CAP |
| ISO63CAP | ISO80CAP | ISO100CAP | |
CF / CR CAP
| Parts model | |||
|---|---|---|---|
| CF16CAP | CF35CAP | CF63CAP | CF100CAP |
| CF150CAP | CF150CAP | CF200CAP | |

Material: A6061T6-GREEN ANODIZING / NUT: SUS 304

| Parts model | Flange Size | A(MM) | B(MM) | C(MM) | D(MM) |
|---|---|---|---|---|---|
| ISO63B | ISO63 | 95 | 70 | 12 | 90 |
| ISO80B | ISO80 | 110 | 83 | 12 | 105 |
| ISO100B | ISO100 | 130 | 102 | 12 | 125 |
| ISO160B | ISO160 | 180 | 153 | 12 | 175 |
| ISO200B | ISO200 | 240 | 213 | 12 | 235 |
| ISO250B | ISO250 | 290 | 261 | 12 | 285 |
| ISO320B | ISO320 | 370 | 318 | 17 | 365 |
| ISO400B | ISO400 | 450 | 400 | 17 | 445 |
| ISO500B | ISO500 | 550 | 501 | 17 | 545 |

Material: SUS304

| Parts model | Flange Size | A(MM) | B(MM) | C(MM) | D(MM) |
|---|---|---|---|---|---|
| ISO63B | ISO63 | 95 | 70 | 12 | 90 |
| ISO80B | ISO80 | 110 | 83 | 12 | 105 |
| ISO100B | ISO100 | 130 | 102 | 12 | 125 |
| ISO160B | ISO160 | 180 | 153 | 12 | 175 |
| ISO200B | ISO200 | 240 | 213 | 12 | 235 |
| ISO250B | ISO250 | 290 | 261 | 12 | 285 |
| ISO320B | ISO320 | 370 | 318 | 17 | 365 |
| ISO400B | ISO400 | 450 | 400 | 17 | 445 |
| ISO500B | ISO500 | 550 | 501 | 17 | 545 |

Material: SUS304

| Parts model | Flange Size | A(MM) | B(MM) | C(MM) |
|---|---|---|---|---|
| ISO63100SCCAL | ALU | M8 | 35 | 23.5 |
| ISO160250SCCAL | ALU | M10 | 35 | 23.5 |
| ISO320500SCAAL | ALU | M12 | 50 | 30.0 |
| Parts model | Flange Size | A(MM) | B(MM) | C(MM) |
|---|---|---|---|---|
| ISO63100SCCZP | STEEL + ZN PLATED | M8 | 35 | 23.0 |
| ISO160250SCCZP | STEEL + ZN PLATED | M10 | 35 | 23.0 |
| ISO320500SCCZP | STEEL + ZN PLATED | M12 | 50 | 30.0 |
| ISO630SCCZP | STEEL + ZN PLATED | M12 | 60 | 41.5 |
| Parts model | Flange Size | A(MM) | B(MM) | C(MM) |
|---|---|---|---|---|
| ISO63100SCCSS | SUS 304 | M8 | 35 | 23.0 |
| ISO160250SCCSS | SUS 304 | M10 | 35 | 23.9 |
| ISO320500SCCSS | SUS 304 | M12 | 50 | 30.0 |
| ISO630SCCSS | SUS 304 | M12 | 60 | 41.5 |

Material: ALUMINIUM/SUS304

| Parts model | Material | A(MM) | B(MM) |
|---|---|---|---|
| ISO63100DCCAL | ALU | M8 | 45 |
| ISO160250DCCAL | ALU | M10 | 45 |
| ISO320500DCCAL | ALU | M12 | 60 |

Material: ALUMUNIUM

MATERIAL: SUS304
| Parts model | Material | A(MM) | B(MM) |
|---|---|---|---|
| ISO633250DCCSS | SUS 304 | M10 | 61.5 |
| ISO320500DCCSS | SUS 304 | M12 | 76.0 |
| ISO630DCCSS | SUS 304 | M12 | 86.0 |
MATERIAL: STEEL + ZN PLATED (BODY/BOLT)
| Parts model | Material | A(MM) | B(MM) |
|---|---|---|---|
| ISO633250DCCZP | STEEL + ZN PLATED | M10 | 61.5 |
| ISO320500DCCZP | STEEL + ZN PLATED | M12 | 76.0 |
| ISO630DCCZP | STEEL + ZN PLATED | M12 | 86.0 |

Material: SUS 304 / ZN PLATED

| Parts model | C/R Material | Oāring Material | OāRing size | A(MM) | B(MM) | C(MM) | D(MM) |
|---|---|---|---|---|---|---|---|
| KF10SCV | SUS 304 | VITON | AS-311 | 10 | 12 | 8 | 3.9 |
| KF16SCV | SUS 304 | VITON | AS-314 | 16 | 17 | 8 | 3.9 |
| KF25SCV | SUS 304 | VITON | AS-320 | 25 | 26 | 8 | 3.9 |
| KF40SCV | SUS 304 | VITON | AS-326 | 40 | 41 | 8 | 3.9 |
| KF50SCV | SUS 304 | VITON | AS-330 | 50 | 52 | 8 | 3.9 |
| Parts model | C/R Material | Oāring Material | OāRing size | A(MM) | B(MM) | C(MM) | D(MM) |
|---|---|---|---|---|---|---|---|
| KF10ACV | ALU | VITON | AS-311 | 10 | 12 | 8 | 3.9 |
| KF16ACV | ALU | VITON | AS-314 | 16 | 17 | 8 | 3.9 |
| KF25ACV | ALU | VITON | AS-320 | 25 | 26 | 8 | 3.9 |
| KF40ACV | ALU | VITON | AS-326 | 40 | 41 | 8 | 3.9 |
| KF50ACV | ALU | VITON | AS-330 | 50 | 52 | 8 | 3.9 |

Material: SUS304 / AL /VITON O-RING

| Parts model | C/R Material | C/R Material | Oāring Material | OāRing size | A(MM) | B(MM) | C(MM) |
|---|---|---|---|---|---|---|---|
| KF16SCVOA | ALU | SUS 304 | VITON | 5018 | 16 | 32.5 | 8 |
| KF25SCVOA | ALU | SUS 304 | VITON | 5028 | 25 | 42.5 | 8 |
| KF40SCVOA | ALU | SUS 304 | VITON | 5042 | 40 | 57.5 | 8 |
| KF50SCVOA | ALU | SUS 304 | VITON | AS-330 | 50 | 77.5 | 8 |

Material: SUS304/VITON WITH OUTER RING (Al)

| Parts model | Material | A(MM) | B(MM) | C(MM) |
|---|---|---|---|---|
| KF16OPR | SUS304 | 30.12 | 31.75 | 3.7 |
| KF25OPR | SUS304 | 38.86 | 40.40 | 3.7 |
| KF40OPR | SUS304 | 54.00 | 57.15 | 3.7 |
| KF50OPR | SUS304 | 66.55 | 69.85 | 3.7 |
| ISO80OPR | SUS304 | 100.2 | 106.0 | 3.7 |

Material: SUS304

| Parts model | C/R Material | Oāring Material | OāRing size | MESH/IN2 | A(MM) | B(MM) | C(MM) |
|---|---|---|---|---|---|---|---|
| KF165SCVM400 | SUS304 | VITON | AS-314 | 400 | 12.0 | 17.0 | 3.9 |
| KF25SCVM400 | SUS304 | VITON | AS-320 | 400 | 20.5 | 26.0 | 3.9 |
| KF40SCVM400 | SUS304 | VITON | AS-326 | 400 | 35.8 | 41.0 | 3.9 |
| KF50SCVM400 | SUS304 | VITON | AS-330 | 400 | 46.3 | 52.0 | 3.9 |
| ISO63SCVM400 | SUS304 | VITON | AS-337 | 400 | 60.5 | 69.6 | 3.9 |
| ISO80SCVM400 | SUS 304 | VITON | AS-341 | 400 | 73.6 | 85.6 | 3.9 |
| ISO100SCVM400 | SUS 304 | VITON | AS-347 | 400 | 91.8 | 101.6 | 3.9 |
| ISO160SCVM400 | SUS 304 | VITON | AS-362 | 400 | 143.5 | 152.6 | 3.9 |

Material: SUS304

| Parts model | C/R Material | Oāring Material | OāRing size | MESH/IN2 | A(MM) | B(MM) | C(MM) |
|---|---|---|---|---|---|---|---|
| KF25SCVM400 | SUS304 | VITRON | AS-320 | 400 | 20.5 | 26 | 18 |
| KF40SCVCM400 | SUS304 | VITRON | AS-326 | 400 | 35.8 | 41 | 30 |
| KF50SCVCM400 | SUS304 | VITRON | AS-330 | 400 | 46.3 | 52 | 40 |

Material: SUS304/ VITRON O-RING WITH CONCAVE MESHED

| Parts model | C/R Material | Oāring Material | OāRing size | A(MM) | B(MM) | C(MM) | D(MM) |
|---|---|---|---|---|---|---|---|
| ISO63SCVA | SUS 304 | VITON | AS-337 | 67.0 | 69.6 | 8 | 3.9 |
| ISO80SCVA | SUS 304 | VITON | AS-341 | 80.0 | 82.6 | 8 | 3.9 |
| ISO100SCVA | SUS 304 | VITON | AS-347 | 98.8 | 101.6 | 8 | 3.9 |
| ISO160SCVA | SUS 304 | VITON | AS-362 | 149.0 | 152.6 | 8 | 3.9 |
| ISO200SCVA | SUS 304 | VITON | AS-371 | 210.0 | 212.6 | 8 | 3.9 |
| ISO250SCVA | SUS 304 | VITON | AS-378 | 257.5 | 260.4 | 8 | 3.9 |
| ISO320SCVA | SUS 304 | VITON | AS-454 | 312.0 | 318.3 | 12 | 5.6 |
| ISO400SCVA | SUS 304 | VITON | AS-461 | 394.0 | 399.2 | 12 | 5.6 |
| ISO500SCVA | SUS 304 | VITON | AS-469 | 494.0 | 500.2 | 12 | 5.6 |

Material: SUS 304 WITH VITRON O-RING

| Parts model | O/R Material | C/R MATERIAL | Oāring Material | OāRing Size | A(MM) | B(MM) | C(MM) | D(MM) | E(MM) |
|---|---|---|---|---|---|---|---|---|---|
| ISO63SCVA | ALU | SUS 304 | VITON | AS-337 | 67.0 | 69.6 | 8 | 3.9 | 94 |
| ISO80SCVA | ALU | SUS 304 | VITON | AS-341 | 80.0 | 82.6 | 8 | 3.9 | 109 |
| ISO100SCVA | ALU | SUS 304 | VITON | AS-347 | 98.8 | 101.6 | 8 | 3.9 | 128 |
| ISO160SCVA | ALU | SUS 304 | VITON | AS-362 | 149.0 | 152.6 | 8 | 3.9 | 179 |
| ISO200SCVA | ALU | SUS 304 | VITON | AS-371 | 210.0 | 212.6 | 8 | 3.9 | 238 |
| ISO250SCVA | ALU | SUS 304 | VITON | AS-378 | 257.5 | 260.4 | 8 | 3.9 | 287 |
| ISO320SCVA | ALU | SUS 304 | VITON | AS-454 | 312.0 | 318.3 | 12 | 5.6 | 344 |
| ISO400SCVA | ALU | SUS 304 | VITON | AS-461 | 394.0 | 399.2 | 12 | 5.6 | 446 |
| ISO500SCVA | ALU | SUS 304 | VITON | AS-469 | 494.0 | 500.2 | 12 | 5.6 | 535 |

Material: SUS 304, VITRON O-RING WITH OUTER RING (AL)

| Parts model | O/R MATERIAL | Oāring Material | OāRing Size | A(MM) | B(MM) | C(MM) | D(MM) |
|---|---|---|---|---|---|---|---|
| ISO63SCVE | SUS 304 | VITON | AS-337 | 67.0 | 70.0 | 8 | 3.9 |
| ISO80SCVE | SUS 304 | VITON | AS-341 | 81.0 | 82.6 | 8 | 3.9 |
| ISO100SCVE | SUS 304 | VITON | AS-347 | 98.8 | 102.0 | 8 | 3.9 |
| ISO160SCVE | SUS 304 | VITON | AS-362 | 149.0 | 153.0 | 8 | 3.9 |
| ISO200SCVE | SUS 304 | VITON | AS-371 | 210.0 | 213.0 | 8 | 3.9 |
| ISO250SCVE | SUS 304 | VITON | AS-378 | 257.5 | 261.0 | 8 | 3.9 |
| ISO320SCVE | SUS 304 | VITON | AS-454 | 312.0 | 318.0 | 12 | 5.6 |
| ISO400SCVE | SUS 304 | VITON | AS-461 | 394.0 | 400.0 | 12 | 5.6 |
| ISO500SCVE | SUS 304 | VITON | AS-469 | 494.0 | 501.0 | 12 | 5.6 |

Material: SUS 304 VITRON O-RING

| Parts model | O/R MATERIAL | Oāring Material | OāRing Size | A(MM) | B(MM) | C(MM) | D(MM) |
|---|---|---|---|---|---|---|---|
| ISO63ACVE | SUS 304 | VITON | AS-337 | 68.0 | 70.0 | 8 | 3.9 |
| ISO80ACVE | SUS 304 | VITON | AS-341 | 81.0 | 82.6 | 8 | 3.9 |
| ISO100ACVE | SUS 304 | VITON | AS-347 | 98.8 | 102.0 | 8 | 3.9 |
| ISO160ACVE | SUS 304 | VITON | AS-362 | 149.0 | 153.0 | 8 | 3.9 |
| ISO200ACVE | SUS 304 | VITON | AS-371 | 210.0 | 213.0 | 8 | 3.9 |
| ISO250ACVE | SUS 304 | VITON | AS-378 | 257.5 | 261.0 | 8 | 3.9 |
| ISO320ACVE | SUS 304 | VITON | AS-454 | 312.0 | 318.0 | 12 | 5.6 |
| ISO400ACVE | SUS 304 | VITON | AS-461 | 394.0 | 400.0 | 12 | 5.6 |
| ISO500ACVE | SUS 304 | VITON | AS-469 | 494.0 | 501.0 | 12 | 5.6 |

Material: ALUMINUM VITRON O-RING

| Parts model | O/R Material | C/R MATERIAL | Oāring Material | OāRing Size | A(MM) | B(MM) | C(MM) | D(MM) | E(MM) |
|---|---|---|---|---|---|---|---|---|---|
| ISO63SCVOE | ALU | SUS 304 | VITON | AS-337 | 68.0 | 70.0 | 8 | 3.9 | 94 |
| ISO80SCVOE | ALU | SUS 304 | VITON | AS-341 | 81.0 | 82.6 | 8 | 3.9 | 109 |
| ISO100SCVOE | ALU | SUS 304 | VITON | AS-347 | 98.8 | 102.0 | 8 | 3.9 | 128 |
| ISO160SCVOE | ALU | SUS 304 | VITON | AS-362 | 149.0 | 153.0 | 8 | 3.9 | 179 |
| ISO200SCVOE | ALU | SUS 304 | VITON | AS-371 | 210.0 | 213.0 | 8 | 3.9 | 238 |
| ISO250SCVOE | ALU | SUS 304 | VITON | AS-378 | 257.5 | 261.0 | 8 | 3.9 | 287 |
| ISO320SCVOE | ALU | SUS 304 | VITON | AS-454 | 312.0 | 318.0 | 12 | 5.6 | 344 |
| ISO400SCVOE | ALU | SUS 304 | VITON | AS-461 | 394.0 | 400.0 | 12 | 5.6 | 446 |
| ISO500SCVOE | ALU | SUS 304 | VITON | AS-469 | 494.0 | 501.0 | 12 | 5.6 | 535 |

Material: SUS 304 VITRON O-RING WITH OUTER RING (AL)

| Parts model | O/R Material | C/R MATERIAL | Oāring Material | OāRing Size | A(MM) | B(MM) | C(MM) | D(MM) | E(MM) |
|---|---|---|---|---|---|---|---|---|---|
| ISO63ACVOE | ALU | SUS 304 | VITON | AS-337 | 68.0 | 70.0 | 8 | 3.9 | 94 |
| ISO80ACVOE | ALU | SUS 304 | VITON | AS-341 | 81.0 | 82.6 | 8 | 3.9 | 109 |
| ISO100ACVOE | ALU | SUS 304 | VITON | AS-347 | 98.8 | 102.0 | 8 | 3.9 | 128 |
| ISO160ACVOE | ALU | SUS 304 | VITON | AS-362 | 149.0 | 153.0 | 8 | 3.9 | 179 |
| ISO200ACVOE | ALU | SUS 304 | VITON | AS-371 | 210.0 | 213.0 | 8 | 3.9 | 238 |
| ISO250ACVOE | ALU | SUS 304 | VITON | AS-378 | 257.5 | 261.0 | 8 | 3.9 | 287 |
| ISO320ACVOE | ALU | SUS 304 | VITON | AS-454 | 312.0 | 318.0 | 12 | 5.6 | 344 |
| ISO400ACVOE | ALU | SUS 304 | VITON | AS-461 | 394.0 | 400.0 | 12 | 5.6 | 446 |
| ISO500ACVOE | ALU | SUS 304 | VITON | AS-469 | 494.0 | 501.0 | 12 | 5.6 | 535 |

Material: ALUMINUM VITRON O-RING WITH OUTER RING (AL)

| Parts model | OāRing Size | ID | ± | CS | ± | Type |
|---|---|---|---|---|---|---|
| KF10AS311VB | AS-311 | 13.64 | 0.18 | 5.33 | 0.13 | |
| KF16AS313VBJ | AS-313 | 16.81 | 0.23 | 5.33 | 0.13 | JAPAN |
| KF16AS314VB | AS-314 | 18.42 | 0.25 | 5.33 | 0.13 | |
| KF25AS319VBJ | AS-319 | 26.34 | 0.25 | 5.33 | 0.13 | JAPAN |
| KF25AS320VB | AS-320 | 27.94 | 0.3 | 5.33 | 0.13 | |
| KF40AS326VB | AS-326 | 40.64 | 0.38 | 5.33 | 0.13 | |
| KF50AS330VB | 12-330 | 53.34 | 0.46 | 5.33 | 0.13 | |
| ISO63AS336VBJ | AS-336 | 72.39 | 0.51 | 5.33 | 0.13 | JAPAN |
| ISO63AS337VB | AS-337 | 75.57 | 0.61 | 5.33 | 0.13 | |
| ISO80AS341VB | AS-341 | 88.27 | 0.61 | 5.33 | 0.13 | |
| ISO100AS347VB | AS-347 | 107.32 | 0.74 | 5.33 | 0.13 | |
| ISO125AS353VBJ | AS-353 | 126.37 | 0.94 | 5.33 | 0.13 | JAPAN |
| ISO160AS361VBJ | AS-361 | 151.77 | 0.94 | 5.33 | 0.13 | JAPAN |
| ISO160AS362VB | AS-362 | 158.12 | 1.02 | 5.33 | 0.13 | |
| ISO200AS370VBJ | AS-370 | 208.92 | 1.27 | 5.33 | 0.13 | JAPAN |
| ISO200AS371VB | AS-371 | 215.27 | 1.27 | 5.33 | 0.13 | |
| ISO250AS377VBJ | AS-377 | 253.37 | 1.40 | 5.33 | 0.13 | JAPAN |
| ISO250AS378VB | AS-378 | 266.07 | 1.52 | 5.33 | 0.13 | |
| ISO320AS454VB | AS-454 | 316.87 | 1.52 | 5.33 | 0.13 | |
| ISO400AS461VB | AS-461 | 405.26 | 1.91 | 5.33 | 0.13 | |
| ISO500AS469VB | AS-469 | 506.86 | 2.41 | 5.33 | 0.13 |

Material: ALUMINUM VITRON O-RING WITH OUTER RING (AL)

| Parts model | Flange OD | Tube OD | T(MM) | A(MM) |
|---|---|---|---|---|
| KF16E90A | 30 | 19.05 | 1.65 | 38.3 |
| KF25E90A | 40 | 25.40 | 1.65 | 56.2 |
| KF40E90A | 55 | 38.10 | 1.65 | 78.4 |
| KF50E90A | 75 | 50.80 | 1.65 | 107.0 |

Material: SUS304

| Model No. | Flange OD | Tube OD | T(MM) | A(MM) |
|---|---|---|---|---|
| KF16TA | 30 | 19.05 | 1.65 | 38.3 |
| KF25TA | 40 | 25.40 | 1.65 | 51.4 |
| KF40TA | 55 | 38.10 | 1.65 | 61.0 |
| KF50TA | 75 | 50.80 | 1.65 | 80.0 |

Material: SUS304

| Model No. | Flange OD | Tube OD | T(MM) | A(MM) |
|---|---|---|---|---|
| KF16XA | 30 | 19.05 | 1.65 | 38.3 |
| KF25XA | 40 | 25.40 | 1.65 | 51.4 |
| KF40XA | 55 | 38.10 | 1.65 | 61.0 |
| KF50XA | 75 | 50.80 | 1.65 | 80.0 |

Material: SUS304

USA Type
| Model No. | Tube O.D | T(MM) | A(MM) |
|---|---|---|---|
| 16ELT45A | 19.05 | 1.65 | 38.3 |
| 25ELT45A | 25.40 | 1.65 | 51.4 |
| 40ELT45A | 38.10 | 1.65 | 61.0 |
| 50ELT45A | 50.80 | 1.65 | 80.0 |
| 63ELT45A | 63.50 | 1.65 | 76.2 |
| 80ELT45A | 76.20 | 1.65 | 93.6 |
| 100ELT45A | 101.60 | 1.65 | 122.2 |

Material: SUS304

USA Type
| Model No. | Tube O.D | T(MM) | A(MM) |
|---|---|---|---|
| 16EL90A | 19.05 | 1.65 | 28.6 |
| 25EL90A | 25.40 | 1.65 | 38.1 |
| 40EL90A | 38.10 | 1.65 | 57.2 |
| 50EL90A | 50.80 | 1.65 | 76.2 |
| 63EL90A | 63.50 | 1.65 | 95.2 |
| 80EL90A | 76.20 | 1.65 | 114.3 |
| 100EL90A | 101.60 | 2.00 | 152.4 |
| 150EL90A | 152.40 | 2.70 | 228.6 |

Material: SUS304

USA Type
| Model No. | Tube O.D | T(MM) | A(MM) |
|---|---|---|---|
| 16TA | 19.05 | 1.65 | 34.5 |
| 25TA | 25.40 | 1.65 | 47.6 |
| 40TA | 38.10 | 1.65 | 57.2 |
| 50TA | 50.80 | 1.65 | 76.2 |
| 63TA | 63.50 | 1.65 | 76.2 |
| 80TA | 76.20 | 1.65 | 82.5 |
| 100TA | 101.60 | 2.00 | 98.4 |
| 150TA | 152.40 | 2.70 | 127.0 |

Material: SUS304

| Model No. | Tube O.D | T(MM) | A(MM) |
|---|---|---|---|
| 25XA | 25.40 | 1.65 | 46.6 |
| 40XA | 38.10 | 1.65 | 57.2 |
| 50XA | 50.80 | 1.65 | 76.2 |
| 63XA | 63.50 | 1.65 | 76.2 |
| 80XA | 76.20 | 1.65 | 82.6 |
| 100XA | 101.60 | 2.00 | 98.4 |

Material: SUS304

| Parts model | A | B (MM) | C*NO | P.C.D | |
|---|---|---|---|---|---|
| MM | INCH | ||||
| CF16B | 33.8 | 1.34" | 7.5 | 4.4*6 | 26.9 |
| CF35B | 69.5 | 2.75" | 12.7 | 6.7*6 | 58.7 |
| CF63B | 113.6 | 4.50" | 18.0 | 8.4*8 | 92.1 |
| CF100B | 151.6 | 6.00" | 20.0 | 8.4*16 | 130.3 |
| CF150B | 202.5 | 8.00" | 22.0 | 8.4*20 | 181.0 |
| CF200B | 253.2 | 10.00" | 24.7 | 8.4*24 | 231.8 |
| CF250B | 336.5 | 13.25" | 28.5 | 10.3*30 | 306.5 |
| CF300B | 355.6 | 14.00" | 28.5 | 10.3*30 | 325.7 |
| CF350B | 419.1 | 16.50" | 28.5 | 10.3*36 | 388.9 |

Material: SUS304

| Parts model | A | B (MM) | C*NO | P.C.D | |
|---|---|---|---|---|---|
| MM | INCH | ||||
| CF16BT | 33.8 | 1.34" | 7.5 | M4*6 | 26.9 |
| CF35BT | 69.5 | 2.75" | 12.7 | M6*6 | 58.7 |
| CF63BT | 113.6 | 4.50" | 18.0 | M8*8 | 92.1 |
| CF100BT | 151.6 | 6.00" | 20.0 | M8*16 | 130.3 |
| CF150BT | 202.5 | 8.00" | 22.0 | M8*20 | 181.0 |
| CF200BT | 253.2 | 10.00" | 24.7 | M8*24 | 231.8 |
| CF250BT | 336.5 | 13.25" | 28.5 | M10*30 | 306.5 |
| CF300BT | 355.6 | 14.00" | 28.5 | M10*30 | 325.7 |
| CF350BT | 419.1 | 16.50" | 28.5 | M10*36 | 388.9 |

Material: SUS304

| Parts model | A | B (MM) | C*NO | P.C.D | |
|---|---|---|---|---|---|
| MM | INCH | ||||
| CR16B | 33.8 | 1.33" | 7.5 | 4.4*6 | 26.9 |
| CR35B | 69.5 | 2.75" | 12.7 | 6.7*6 | 58.7 |
| CR63B | 113.6 | 4.50" | 18.0 | 8.4*8 | 92.1 |
| CR100B | 151.6 | 6.00" | 20.0 | 8.4*16 | 130.3 |
| CR150B | 202.5 | 8.00" | 22.0 | 8.4*20 | 181.0 |
| CR200B | 253.2 | 10.00" | 24.7 | 8.4*24 | 231.8 |
| CR250B | 336.5 | 13.25" | 28.5 | 10.3*30 | 306.5 |
| CR300B | 355.6 | 14.00" | 28.5 | 10.3*30 | 325.7 |
| CR350B | 419.1 | 16.50" | 28.5 | 10.3*36 | 388.9 |

Material: SUS304

| Parts model | A | B (MM) | C*NO | P.C.D | |
|---|---|---|---|---|---|
| MM | INCH | ||||
| CR16BT | 33.8 | 1.33" | 7.5 | M4*6 | 26.9 |
| CR35BT | 69.5 | 2.75" | 12.7 | M6*6 | 58.7 |
| CR63BT | 113.6 | 4.50" | 18.0 | M8*8 | 92.1 |
| CR100BT | 151.6 | 6.00" | 20.0 | M8*16 | 130.3 |
| CR150BT | 202.5 | 8.00" | 22.0 | M8*20 | 181.0 |
| CR200BT | 253.2 | 10.00" | 24.7 | M8*24 | 231.8 |
| CR250BT | 336.5 | 13.25" | 28.5 | M10*30 | 306.5 |
| CR300BT | 355.6 | 14.00" | 28.5 | M10*30 | 325.7 |
| CR350BT | 419.1 | 16.50" | 28.5 | M10*36 | 388.9 |

Material: SUS304
NON-ROTATABLE

| Parts model | A | B (MM) | C*NO | D *NO | P.C.D | |
|---|---|---|---|---|---|---|
| MM | INCH | |||||
| CF16B19 | 33.8 | 1.33" | 7.5 | M4*6 | 19.3 | 26.9 |
| CF35B38 | 69.5 | 2.75" | 12.7 | M6*6 | 38.3 | 58.7 |
| CF35B43 | 69.5 | 4.50" | 18.0 | M8*8 | 42.9 | 58.7 |
| CF63B64 | 113.6 | 6.00" | 20.0 | M8*16 | 63.7 | 92.1 |
| CF100B102 | 151.6 | 8.00" | 22.0 | M8*20 | 101.8 | 130.3 |
| CF150B153 | 202.5 | 10.00" | 24.7 | M8*24 | 152.8 | 181.0 |
| CF200B204 | 253.2 | 13.25" | 28.5 | M10*24 | 203.7 | 231.8 |
| CF250B254 | 336.5 | 14.00" | 28.5 | M10*30 | 254.5 | 306.5 |
| CF300B305 | 355.6 | 16.50" | 28.5 | M10*30 | 305.4 | 325.7 |
| CF350C356 | 419.1 | 16.50" | 28.5 | M10*36 | 356.1 | 388.9 |

Material: SUS304

| Parts model | A | B (MM) | C*NO | D *NO | P.C.D | |
|---|---|---|---|---|---|---|
| MM | INCH | |||||
| CF16B19T | 33.8 | 1.33" | 7.5 | M4*6 | 19.3 | 26.9 |
| CF35B38T | 69.5 | 2.75" | 12.7 | M6*6 | 38.3 | 58.7 |
| CF35B43T | 69.5 | 4.50" | 18.0 | M8*8 | 42.9 | 58.7 |
| CF63B64T | 113.6 | 6.00" | 20.0 | M8*8 | 63.7 | 92.1 |
| CF100B102T | 151.6 | 8.00" | 22.0 | M8*16 | 101.8 | 130.3 |
| CF150B153T | 202.5 | 10.00" | 24.7 | M8*20 | 152.8 | 181.0 |
| CF200B204T | 253.2 | 13.25" | 28.5 | M10*24 | 203.7 | 231.8 |
| CF250B254T | 336.5 | 14.00" | 28.5 | M10*30 | 254.5 | 306.5 |
| CF300B305T | 355.6 | 16.50" | 28.5 | M10*30 | 305.4 | 325.7 |
| CF350C356T | 419.1 | 16.50" | 28.5 | M10*36 | 356.1 | 388.9 |

Material: SUS304

| Parts model | A | B (MM) | C*NO | D *NO | P.C.D | |
|---|---|---|---|---|---|---|
| MM | INCH | |||||
| CR16B19 | 33.8 | 1.33" | 7.5 | 4.4*6 | 19.3 | 26.9 |
| CR35B38 | 69.5 | 2.75" | 12.7 | 6.7*6 | 38.3 | 58.7 |
| CR35B43 | 69.5 | 2.75" | 12.7 | 6.7*6 | 42.9 | 58.7 |
| CR63B64 | 113.6 | 4.50" | 18.0 | 8.4*8 | 63.7 | 92.1 |
| CR100B102 | 151.6 | 6.00" | 20.0 | 8.4*16 | 101.8 | 130.3 |
| CR150B153 | 202.5 | 8.00" | 22.0 | 8.4*20 | 152.8 | 181.0 |
| CR200B204 | 253.2 | 10.00" | 24.7 | 8.4*24 | 203.7 | 231.8 |
| CR250B254 | 336.5 | 13.25" | 28.5 | 10.3*30 | 254.5 | 306.5 |
| CR300B305 | 355.6 | 14.00" | 28.5 | 10.3*30 | 305.4 | 325.7 |
| CR350B356 | 419.1 | 16.50" | 28.5 | 10.3*36 | 356.1 | 388.9 |

Material: SUS304
WITH TAPPED BOLT HOLES

| Parts model | A | B (MM) | C*NO | D *NO | P.C.D | |
|---|---|---|---|---|---|---|
| MM | INCH | |||||
| CR16B19T | 33.8 | 1.33" | 7.5 | M4*6 | 19.3 | 26.9 |
| CR35B38T | 69.5 | 2.75" | 12.7 | M6*6 | 38.3 | 58.7 |
| CR35B43T | 69.5 | 2.75" | 12.7 | M8*8 | 42.9 | 58.7 |
| CR63B64T | 113.6 | 4.50" | 18.0 | M8*8 | 63.7 | 92.1 |
| CR100B102T | 151.6 | 6.00" | 20.0 | M8*16 | 101.8 | 130.3 |
| CR150B153T | 202.5 | 8.00" | 22.0 | M8*20 | 152.8 | 181.0 |
| CR200B204T | 253.2 | 10.00" | 24.7 | M8*24 | 203.7 | 231.8 |
| CR250B254T | 336.5 | 13.25" | 28.5 | M10*30 | 254.5 | 306.5 |
| CR300B305T | 355.6 | 14.00" | 28.5 | M10*30 | 305.4 | 325.7 |
| CR350B356T | 419.1 | 16.50" | 28.5 | M10*36 | 356.1 | 388.9 |

Material: SUS304

| Parts model | A | B (MM) | C(MM) | D(MM) | E(MM) | F*NO | G*NO TAPPED BOLT HOLES | |
|---|---|---|---|---|---|---|---|---|
| MM | INCH | |||||||
| CF35R16 | 69.5 | 2.75" | 12.7 | 15.8 | 26.9 | 58.7 | 6.7*6 | M4*6 |
| CF63R16 | 113.6 | 4.50" | 18 | 15.8 | 26.9 | 92.1 | 8.4*8 | M4*6 |
| CF63R35 | 113.6 | 4.50" | 18 | 38.1 | 58.7 | 92.1 | 8.4*8 | M6*6 |
| CF100R35 | 151.6 | 6.00" | 20 | 38.1 | 58.7 | 130.3 | 8.4*16 | M6*6 |
| CF100R63 | 151.6 | 6.00" | 20 | 63.5 | 92.1 | 130.3 | 8.4*16 | M8*8 |
| CF150R35 | 202.5 | 8.00" | 22 | 38.1 | 58.7 | 181.0 | 8.4*20 | M6*6 |
| CF150R63 | 202.5 | 8.00" | 22 | 63.5 | 92.1 | 181.0 | 8.4*20 | M8*8 |
| CF150R100 | 202.5 | 8.00" | 22 | 101.6 | 130.3 | 181.0 | 8.4*20 | M8*16 |
| CF200R35 | 253.2 | 10.00" | 24.7 | 38.1 | 58.7 | 231.8 | 8.4*24 | M6*6 |
| CF200R63 | 253.2 | 10.00" | 24.7 | 63.5 | 92.1 | 231.8 | 8.4*24 | M8*8 |
| CF200R100 | 253.2 | 10.00" | 24.7 | 101.6 | 130.3 | 231.8 | 8.4*24 | M8*16 |
| CF200R150 | 253.2 | 10.00" | 24.7 | 152.4 | 181.0 | 231.8 | 8.4*24 | M8*20 |
| CF250R35 | 336.5 | 13.25" | 28.5 | 38.1 | 58.7 | 306.5 | 10.3*30 | M6*6 |
| CF250R63 | 336.5 | 13.25" | 28.5 | 63.5 | 92.1 | 306.5 | 10.3*30 | M8*8 |
| CF250R100 | 336.5 | 13.25" | 28.5 | 101.6 | 130.3 | 306.5 | 10.3*30 | M8*16 |
| CF250R150 | 336.5 | 13.25" | 28.5 | 152.4 | 181.0 | 306.5 | 10.3*30 | M8*20 |
| CF250R200 | 336.5 | 13.25" | 28.5 | 203.2 | 231.8 | 306.5 | 10.3*30 | M8*24 |

Material: SUS304

ANGLE VALVE WITH KF NW FLANGE
| Model No. | O.D | A(MM) | B(MM) | C(MM) | D(MM) | |||||
|---|---|---|---|---|---|---|---|---|---|---|
| MM | INCH | MM | INCH | MM | INCH | MM | INCH | MM | INCH | |
| KF16AVBM | 19.05 | 0.75" | 54.6 | 2.15" | 137.4 | 5.41" | 156.2 | 6.15" | 57.1 | 2.25" |
| KF25AVBM | 25.40 | 1.00" | 51.6 | 2.03" | 130.3 | 5.13" | 149.6 | 5.89" | 57.1 | 2.25" |
| KF40AVBM | 38.10 | 1.50" | 61.0 | 2.40" | 157.5 | 6.20" | 190.5 | 7.50" | 76.2 | 3.00" |
| KF50AVBM | 50.80 | 2.00" | 86.4 | 3.40" | 207.0 | 8.15" | 251.7 | 9.91" | 88.9 | 3.50" |
ANGLE VALVE WITH CR FLANGE
| Model No. | O.D | A(MM) | B(MM) | C(MM) | D(MM) | |||||
|---|---|---|---|---|---|---|---|---|---|---|
| MM | INCH | MM | INCH | MM | INCH | MM | INCH | MM | INCH | |
| CR16AVBM | 19.05 | 0.75" | 63.5 | 2.50" | 147.3 | 5.7" | 165.1 | 6.50" | 57.1 | 2.25" |
| CR35AVBM | 38.10 | 1.50" | 62.5 | 2.46" | 164.8 | 6.49" | 197.1 | 7.76" | 76.2 | 3.00" |
ANGLE VALVE WITH ISO FLANGE
| Model No. | O.D | A(MM) | B(MM) | C(MM) | D(MM) | |||||
|---|---|---|---|---|---|---|---|---|---|---|
| MM | INCH | MM | INCH | MM | INCH | MM | INCH | MM | INCH | |
| ISO63AVBM | 63.5 | 0.75" | 82.8 | 3.26" | 215.7 | 8.63" | 261.6 | 10.30" | 99.1 | 3.90" |
| ISO80AVBM | 76.2 | 1.00" | 88.9 | 3.50" | 226.6 | 8.92" | 286.5 | 11.28" | 114.3 | 4.50" |

Material: SUS304

ANGLE VALVE WITH KF NW FLANGE
| Model No. | O.D | A(MM) | B(MM) | C(MM) | ||||
|---|---|---|---|---|---|---|---|---|
| MM | INCH | MM | INCH | MM | INCH | MM | INCH | |
| KF16AVBP | 19.05 | 0.75" | 54.6 | 2.15" | 156.2 | 6.15" | 57.1 | 2.25" |
| KF25AVBP | 25.40 | 1.00" | 51.6 | 2.03" | 149.6 | 5.89" | 57.1 | 2.25" |
| KF40AVBP | 38.10 | 1.50" | 61.0 | 2.40" | 190.5 | 7.50" | 76.2 | 3.00" |
| KF50AVBP | 50.80 | 2.00" | 86.4 | 3.40" | 251.7 | 9.91" | 88.9 | 3.50" |
ANGLE VALVE WITH CR FLANGE
| Model No. | O.D | A(MM) | B(MM) | C(MM) | ||||
|---|---|---|---|---|---|---|---|---|
| MM | INCH | MM | INCH | MM | INCH | MM | INCH | |
| CR16AVBP | 19.05 | 0.75" | 63.5 | 2.50" | 165.1 | 6.50" | 57.1 | 2.25" |
| CR35AVBP | 38.10 | 1.50" | 62.5 | 2.46" | 197.1 | 7.76" | 76.2 | 3.00" |
ANGLE VALVE WITH ISO FLANGE
| Model No. | O.D | A(MM) | B(MM) | C(MM) | ||||
|---|---|---|---|---|---|---|---|---|
| MM | INCH | MM | INCH | MM | INCH | MM | INCH | |
| ISO63AVBP | 63.5 | 2.50" | 82.8 | 3.20" | 271.0 | 10.70" | 99.1 | 3.90" |
| ISO80AVBP | 76.2 | 3.00" | 88.9 | 3.50" | 284.7 | 11.21" | 114.3 | 4.50" |
| ISO100AVBP | 101.6 | 4.00" | 113.5 | 4.47" | 370.1 | 14.57" | 165.1 | 6.50" |

Material: SUS304

Y-INLINE WITH KF NW FLANGE
| Model No. | O.D | A(MM) | B(MM) | C(MM) | D(MM) | |||||
|---|---|---|---|---|---|---|---|---|---|---|
| MM | INCH | MM | INCH | MM | INCH | MM | INCH | MM | INCH | |
| KF16YIVBM | 19.05 | 0.75" | 101.6 | 4.00" | 98.8 | 3.89" | 112.5 | 6.15" | 57.1 | 2.25" |
| KF25YIVBM | 25.40 | 1.00" | 106.7 | 4.02" | 97.0 | 3.82" | 110.2 | 5.89" | 57.1 | 2.25" |
| KF40YIVBM | 38.10 | 1.50" | 130.0 | 5.12" | 127.2 | 5.01" | 157.0 | 6.18" | 76.2 | 3.00" |
| KF50YIVBM | 50.80 | 2.00" | 177.8 | 7.00" | 134.6 | 5.30" | 166.4 | 6.55" | 88.9 | 3.50" |
Y-INLINE WITH CR FLANGE
| Model No. | O.D | A(MM) | B(MM) | C(MM) | D(MM) | |||||
|---|---|---|---|---|---|---|---|---|---|---|
| MM | INCH | MM | INCH | MM | INCH | MM | INCH | MM | INCH | |
| KF16YIVBM | 19.05 | 0.75" | 101.6 | 4.00" | 98.8 | 3.89" | 112.5 | 6.15" | 57.1 | 2.25" |
| KF25YIVBM | 25.40 | 1.00" | 106.7 | 4.02" | 97.0 | 3.82" | 110.2 | 5.89" | 57.1 | 2.25" |
| KF40YIVBM | 38.10 | 1.50" | 130.0 | 5.12" | 127.2 | 5.01" | 157.0 | 6.18" | 76.2 | 3.00" |
| KF50YIVBM | 50.80 | 2.00" | 177.8 | 7.00" | 134.6 | 5.30" | 166.4 | 6.55" | 88.9 | 3.50" |
Y-INLINE WITH CR FLANGE
| Model No. | O.D | A(MM) | B(MM) | C(MM) | D(MM) | |||||
|---|---|---|---|---|---|---|---|---|---|---|
| MM | INCH | MM | INCH | MM | INCH | MM | INCH | MM | INCH | |
| CR16YIVBM | 19.05 | 0.75" | 119.4 | 4.70" | 98.8 | 3.89" | 112.5 | 6.15" | 57.1 | 2.25" |
| CR35YIVBM | 25.40 | 1.00" | 133.1 | 5.24" | 127.2 | 5.01" | 157.0 | 6.18" | 76.2 | 3.00" |

Material: SUS304

Y-INLINE WITH KF NW FLANGE
| Model No. | O.D | A(MM) | B(MM) | C(MM) | ||||
|---|---|---|---|---|---|---|---|---|
| MM | INCH | MM | INCH | MM | INCH | MM | INCH | |
| KF16YIVBP | 19.05 | 0.75" | 101.6 | 4.00" | 105.4 | 3.89" | 57.1 | 2.25" |
| KF25YIVBP | 25.40 | 1.00" | 106.7 | 4.02" | 103.9 | 3.82" | 57.1 | 2.25" |
| KF40YIVBP | 38.10 | 1.50" | 130.0 | 5.12" | 145.0 | 5.71" | 76.2 | 3.00" |
| KF50YIVBP | 50.80 | 2.00" | 177.8 | 7.00" | 181.6 | 7.15" | 88.9 | 3.50" |
Y-INLINE WITH CR FLANGE
| Model No. | O.D | A(MM) | B(MM) | C(MM) | ||||
|---|---|---|---|---|---|---|---|---|
| MM | INCH | MM | INCH | MM | INCH | MM | INCH | |
| CR16YIVBP | 19.05 | 0.75" | 119.4 | 4.70" | 105.4 | 4.15" | 105.4 | 4.15" |
| CR35YIVBP | 25.40 | 1.00" | 133.1 | 5.24" | 145.0 | 5.71" | 145.0 | 5.71" |

Material: SUS304

Y-INLINE WITH KF NW FLANGE
| Model No. | O.D | A(MM) | B(MM) | C(MM) | ||||
|---|---|---|---|---|---|---|---|---|
| MM | INCH | MM | INCH | MM | INCH | MM | INCH | |
| KF40VCV | 45 | 1.77" | 75 | 2.95" | 28 | 1.10" | 56 | 2.20" |

Material: SUS304

Y-INLINE WITH KF NW FLANGE
| Model No. | A(MM) | B(MM) | ||
|---|---|---|---|---|
| MM | INCH | MM | INCH | |
| KF40VCVR | 32 | 1.26" | 4.65 | 0.18" |

Material: SUS304

KF NW 40-50 VACUUM
| Model No. | Figure | O.D | A(MM) | B(MM) | C(MM) | ||||
|---|---|---|---|---|---|---|---|---|---|
| MM | INCH | MM | INCH | MM | INCH | MM | INCH | ||
| KF40VBV | 1 | 38.1 | 1.50" | 118.1 | 4.65" | 134.8 | 5.32" | - | - |
| KF50VBV | 1 | 50.8 | 2.00" | 126.2 | 4.97" | 143.6 | 5.65" | - | - |
| KF40VBVH | 2 | 38.1 | 1.50" | 157.5 | 6.20" | 134.8 | 5.32" | 182 | 7.17" |
| KF50VBVH | 2 | 50.8 | 2.00" | 207.0 | 8.15" | 143.6 | 5.65" | 182 | 7.17" |


FIGURE 1


FIGURE 2

KG NW 40-50 VACUUM BALL VALVE
| Model No. | Item No | Model | Material | Qāty | Remark |
|---|---|---|---|---|---|
| KF40VBVR | 1 | SEAT | COPPER | 1 | |
| 2 | OāRING | VITON | 3 | ||
| 3 | SHAFT BUSH | PTFE | 2 | ||
| 4 | SHAFT WASHER (A) | PTFE | 1 | THICK SIZE | |
| 5 | SHAFT WASHER (B) | PTFE | 1 | THICK SIZE | |
| 6 | BALL SEAT | PTFE | 2 | ||
| 7 | OāRING | VITON | 2 |
KG NW 40-50 VACUUM BALL VALVE
| Model No. | Item No | Model | Material | Qāty | Remark |
|---|---|---|---|---|---|
| KF40VBVR | 1 | SEAT | COPPER | 1 | |
| 2 | OāRING | VITON | 3 | ||
| 3 | SHAFT BUSH | PTFE | 2 | ||
| 4 | SHAFT WASHER (A) | PTFE | 1 | THICK SIZE | |
| 5 | SHAFT WASHER (B) | PTFE | 1 | THICK SIZE | |
| 6 | BALL SEAT | PTFE | 2 | ||
| 7 | OāRING | VITON | 2 |

Material: SUS316

| Model No. | Flange Size | Length (MM) |
|---|---|---|
| KF16FH250 | KF NW 16 | 250 |
| KF16FH500 | 500 | |
| KF16FH750 | 750 | |
| KF16FH1000 | 1000 | |
| KF25FH250 | KF NW 25 | 250 |
| KF25FH500 | 500 | |
| KF25FH750 | 750 | |
| KF25FH1000 | 1000 | |
| KF40FH250 | KF NW 40 | 250 |
| KF40FH500 | 500 | |
| KF40FH750 | 750 | |
| KF40FH1000 | 1000 | |
| KF50FH250 | KF NW 50 | 250 |
| KF50FH500 | 500 | |
| KF50FH750 | 750 | |
| KF50FH1000 | 1000 |
1) The length of the flexible hose can be customized.
2) The flange size of KF / ISO / CF / JIS can be customized.

Material: SUS304

| Model No. | Flange Size | Length(mm) |
|---|---|---|
| KF16FS100 | KF16 | 100 |
| KF25FS100 | KF25 | 100 |
| KF40FS100 | KF40 | 100 |
| KF50FS100 | KF50 | 100 |
| KF16FS250 | KF16 | 250 |
| KF25FS250 | KF25 | 250 |
| KF40FS250 | KF40 | 250 |
| KF50FS250 | KF50 | 250 |
| KF16FS500 | KF16 | 500 |
| KF25FS500 | KF25 | 500 |
| KF40FS500 | KF40 | 500 |
| KF50FS500 | KF50 | 500 |
| KF16FS750 | KF16 | 750 |
| KF25FS750 | KF25 | 750 |
| KF40FS750 | KF40 | 750 |
| KF50FS750 | KF50 | 750 |
| KF16FS1000 | KF16 | 1000 |
| KF25FS1000 | KF25 | 1000 |
| KF40FS1000 | KF40 | 1000 |
| KF50FS1000 | KF50 | 1000 |

Material: SUS304

| Model No. | Flange Size | Length(mm) |
|---|---|---|
| ISO63FS180 | ISO63 | 180 |
| ISO80FS180 | ISO80 | 180 |
| ISO100FS80 | ISO100 | 180 |
| ISO160FS200 | ISO160 | 200 |
| Model No. | Flange Size | Length(mm) |
|---|---|---|
| KF63FS180 | KF NW 63 | 180 |
| KF80FS180 | KF NW 80 | 180 |
| KF100HS180 | KF NW 100 | 180 |
| KF160FS180 | KF NW 160 | 180 |

Material: SUS304
| Parts model | FLANG O.D | Length (MM) | |
|---|---|---|---|
| MM | INCH | ||
| CF16S150 | 34.0 | 1.33" | 150 |
| CF35S180 | 69.5 | 2.75" | 180 |
| CF63FS210 | 113.6 | 4.50" | 210 |
| CF100FS250 | 151.6 | 6.00" | 250 |
| CF160FS250 | 202.5 | 8.00" | 250 |
| CF200FS300 | 253.2 | 10.00" | 300 |

Material: SUS304/SUS316L